Категории продукции
Линейные усилители
Линейный усилитель 15 дБ ТИШЖ.468714.216
- Тип разъемов:
- N
- Количество каналов:
- 1
- Коэффициент усиления:
- 15 дБ
- Диапазон частот:
- L, S
- Производитель:
- ООО «Технологии Радиосвязи»
- Страна:
- Россия
Преимущества
- 950-2150 МГц
- соединители N
- коэффициент усиления 15 дБ
- питание по РЧ входу
- пропускание питания, 10 МГц, 22 кГц
Линейный усилитель 15 дБ ТИШЖ.468714.216 предназначен для усиления сигналов в частотном диапазоне 950-2150 МГц в трактах земных станций спутниковой связи и других системах радиосвязи.
Обеспечивает пропуск напряжения питания, 10 МГц, 22 кГц.
Функционально повторяет блок NORSAT LA 30.
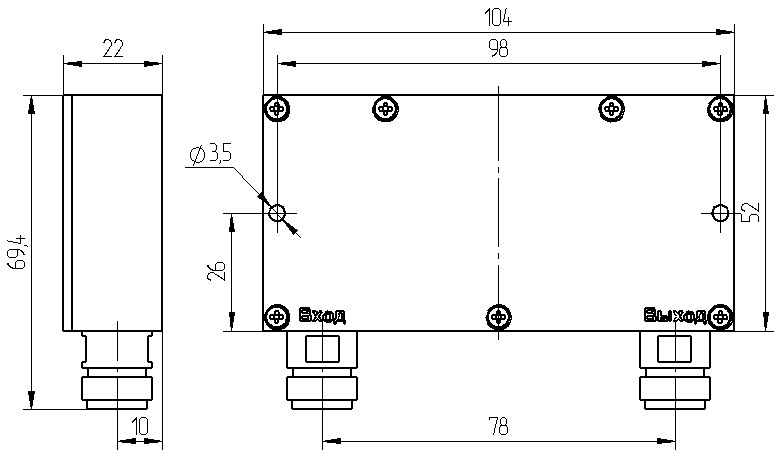
Линейный усилитель 15 дБ ТИШЖ.468714.216 Габаоритный чертеж
.jpg)
Продукт разработан и произведен в России
Сопутствующие товары
-
Делитель/сумматор L-диапазона 1/2 N ТИШЖ.468523.001
-
Делитель/сумматор L-диапазона 1/4 N ТИШЖ.468523.002
-
Инжектор питания L-диапазона ТИШЖ.436311.002


