Категории продукции
Облучающие устройства
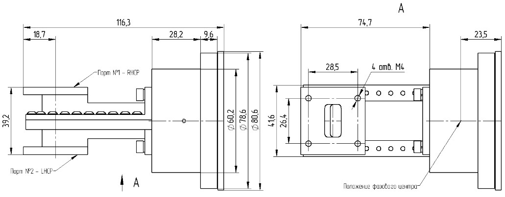
Облучатель 13,75-14,5 ГГц круговой поляризации 2-портовый ТИШЖ.468573.023
- Диапазон частот:
- Ku
- Производитель:
- ООО «Технологии Радиосвязи»
- Страна:
- Россия
Преимущества
- диапазон частот 13.75-14.5 ГГц
- круговая поляризация
- 2 порта прием/прием
- для офсетных антенн с F/D 0.5...0.7
Облучатель 13,75-14,5 ГГц круговой поляризации 2-портовый ТИШЖ.468573.023 предназначен для обеспечения приема или передачи сигналов Ku-диапазона с левой и правой круговой поляризациями одновременно.
Применяется в офсетных антеннах земных станций спутниковой связи с F/D от 0.5 до 0.7.
Прмечание
Держатель облучателя - изготавливается отдельно под конкретную модель антенны.
Облучатель 13,75-14,5 ГГц круговой поляризации 2-портовый ТИШЖ.468573.023 Габаритный чертеж

Продукт разработан и произведен в России
Сопутствующие товары
-
Контроллер управления поляризацией КУП ТИШЖ.468341.006
-
Антенная система 2.9 м S-диапазона полноповоротная ТИШЖ.469318.001
-
Антенная система 2.4 м Ка-диапазона ТИШЖ.464675.006


